产品分类

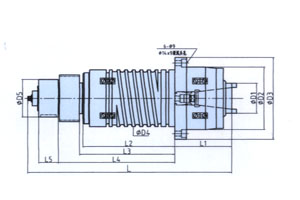
皮带式机械主轴技术参数
|
Type<
|
Speed
(rmp)
|
Belet
Sizes
|
Lubricate
|
Spindle
Standard Shank
|
Clamping
Pull-Force
|
Dimensions
|
||||||||||
|
L
|
L1
|
L2
|
L3
|
L4
|
L5
|
D1
|
D2
|
D3
|
D4
|
D5
|
||||||
|
PD30-12
|
15000
|
5GT-70T
|
Grease
|
BT30/DIV>
|
350kg
|
390
|
100
|
155
|
161
|
209
|
39
|
61
|
120
|
160
|
120
|
65
|
|
PD40-15
|
8000
|
8YU-54
|
Grease
|
BT40
|
900kg
|
510
|
138
|
200
|
—
|
288
|
69
|
88
|
150
|
202
|
150
|
90
|
|
PD40-13
|
18000
|
5GT-68
|
Grease
|
T40
|
800kg
|
422
|
126
|
170/DIV>
|
—
|
238
|
46
|
80
|
130
|
165
|
120
|
63
|
|
PD40-16
|
12000
|
5GT-76T
|
Grease
|
BT40
|
1000kg
|
548
|
137
|
212
|
—
|
280
|
—
|
89
|
160
|
200
|
150
|
110
|
一、皮带式机械主轴概述
皮带式机械主轴是一套组件,它包括电主轴本身及其附件:电主轴、高频变频装置、油雾润滑器、冷却装置、内置编码器、换刀装置。具有结构紧凑、重量轻、惯性小、振动小、噪声低、响应快等优点,而且转速高、功率大
二、皮带式机械主轴特点
皮带式机械主轴是一套组件,它包括电主轴本身及其附件:电主轴、高频变频装置、油雾润滑器、冷却装置、内置编码器、换刀装置。具有结构紧凑、重量轻、惯性小、振动小、噪声低、响应快等优点,而且转速高、功率大
二、皮带式机械主轴特点
①主轴采用油冷却方式,有效维持主轴温升稳定;
②合理的迷宫环结构,有效防止切削油侵入;
③主轴采用知名厂P4级轴承(NSK、FAG、SNFA);
④可适用于复杂零件加工和模具雕铣;
⑤主轴有预留浮动反扣装置;
⑥主轴标准转速8000rpm,最高转速可选配。
三、皮带式机械主轴操作规范
(1)开机使用之前,首先要保证电机冷却循环系统工作正常,然后再开启主轴电机,严禁在无冷却的条件下使用主轴电机。
(2)工作环境温度不要高于30℃,当环境温度高于30℃后应使用空调,或使用制冷机为主轴电机强制制冷。
(3)主轴电机冷却水使用纯净水,水质必须清洁,为防止微生物和水垢的产生,在正常情况下应每七天换一次水,当周边环境高于30℃、又无强制制冷措施的情况下,应该每天在水温最高时更换一次纯净水。另外操作员要养成在工作中注意观察水温的习惯,当水温超过30℃就要换水。
四、皮带式机械主轴厂家介绍
江苏星轮高速机电设备制造有限公司是集科研、开发、生产于一体的高科技公司,公司拥有各类先进的电主轴及各类变频电机定、转子的设计和制造技术,生产的电主轴低速力矩大,噪音低,转速平稳,无级调速,产品通过ISO9001质量管理体系认证。近年来我公司又开发研制了恒功率、自动换刀、车床、加工中心电主轴,广泛用于数控钻铣设备、精密雕刻、雕铣、木工机械、电脑锣、精密磨床、车铣复合加工中心、眼镜加工设备、钟表设备、制锁设备及其它数控高速机械。产品覆盖国内29个省市,并远销美国、德国、俄罗斯、韩国、澳大利亚、新加坡、印尼、台湾、香港等国家和地区。
地 址:江苏省靖江市西环启航转盘西侧100米
总经理:高 明
手 机:013914535888 电 话:0523-84506065 84506098
传 真:0523-84501348
网 址:www.chli-tina.com
信 箱:gm@jsxinglun.com
三、皮带式机械主轴操作规范
(1)开机使用之前,首先要保证电机冷却循环系统工作正常,然后再开启主轴电机,严禁在无冷却的条件下使用主轴电机。
(2)工作环境温度不要高于30℃,当环境温度高于30℃后应使用空调,或使用制冷机为主轴电机强制制冷。
(3)主轴电机冷却水使用纯净水,水质必须清洁,为防止微生物和水垢的产生,在正常情况下应每七天换一次水,当周边环境高于30℃、又无强制制冷措施的情况下,应该每天在水温最高时更换一次纯净水。另外操作员要养成在工作中注意观察水温的习惯,当水温超过30℃就要换水。
四、皮带式机械主轴厂家介绍
江苏星轮高速机电设备制造有限公司是集科研、开发、生产于一体的高科技公司,公司拥有各类先进的电主轴及各类变频电机定、转子的设计和制造技术,生产的电主轴低速力矩大,噪音低,转速平稳,无级调速,产品通过ISO9001质量管理体系认证。近年来我公司又开发研制了恒功率、自动换刀、车床、加工中心电主轴,广泛用于数控钻铣设备、精密雕刻、雕铣、木工机械、电脑锣、精密磨床、车铣复合加工中心、眼镜加工设备、钟表设备、制锁设备及其它数控高速机械。产品覆盖国内29个省市,并远销美国、德国、俄罗斯、韩国、澳大利亚、新加坡、印尼、台湾、香港等国家和地区。
地 址:江苏省靖江市西环启航转盘西侧100米
总经理:高 明
手 机:013914535888 电 话:0523-84506065 84506098
传 真:0523-84501348
网 址:www.chli-tina.com
信 箱:gm@jsxinglun.com


